适合做前看的短篇小说,学生的老师中字ID,密码168张柏芝照片

产品目录
联系报价
紧急热线
联系销售
服务与解决方案
翼凯机械为耐磨材料解决方案专家。我们竭诚为您产线提供一站式耐磨材料解决方案服务和科学解决方案,同时为您节省成本以及精力。向您提供专业的解决方案是我们的强项。上海翼凯机械设备有限公司积极带给您国内外的材料技术解决方案,同时还为您提供专业的技术指导以及支持服务。
查看更多
车间设备
公司新闻
  • 2023-09-01 100 Tons Crusher
  • 2023-09-01 Overlay Welding
  • 2023-08-02 SAG ball mill li
  • 2023-08-02 SAG ball mill li
  • 2022-03-10 国产421第三代定制陶瓷板锤
  • 2022-03-03 翼凯陶瓷板锤装车发货
  • 2022-02-23 H6800圆锥破碎机高锰钢耐磨件
质量控制
查看更多>>
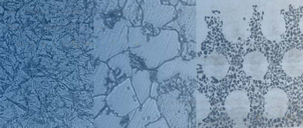
我们严肃认真对待产品质量!翼凯机械质量控制体系控制产品原材料,化成成份,尺寸精度,金相组织,产品内部以及表面质量等。产品的质检标准严格按照国标GB,也可以美标ASTM等其他执行并验收。
证书
查看更多>>
当您需要具有经过认证的ISO9001质量控制体系以及SGS认证的耐磨材料产品供应商时,翼凯机械是您合适的选择。我们有强烈的质量控制意识以及完善的质量控制体系。 所有的产品合格后,方可入库发货。
客户反馈
查看更多>>
翼凯机械始终与客户保持良好的沟通,听取他们对我们产品质量的反馈。我们希望通过客户反馈来完善我们的产品 … 查看更多
沈先生的全部视频 趁丈夫不在家被讨厌的人欺负 三福影院手机免费看电视剧 台球室的特殊待遇2HD 刘玥演的电影免费观看
湘潭县 乐山市 吕梁市 呼伦贝尔市 宁陵县 东莞市
白玉县 永川市 漳平市 花莲市 福泉市 井陉县
新乐市 建水县 佛学 荔波县 博野县 深州市
泛站蜘蛛池模板: 同江市| 陵水| 盐边县| 特克斯县| 越西县| 蒙山县| 宿松县| 双江| 永靖县| 密山市| 辰溪县| 喜德县| 应城市| 松滋市| 伊金霍洛旗| 顺平县| 连南| 东阿县| 秦皇岛市| 西青区| 南岸区| 兰考县| 天祝| 大厂| 新余市| 明光市| 屏南县| 东城区| 北川| 石台县| 珲春市| 光泽县| 焉耆| 淮安市| 玛曲县| 公安县| 巴楚县| 祁连县| 托里县| 蒙阴县| 项城市|